海灣公司總結|淺談消防系統消火栓啟泵的幾種方式
海灣公司總結|淺談消防系統消火栓啟泵的幾種方式
消火栓系統的水泵控制方式和消火栓按鈕,消防系統運行是否正常,是其建筑物預防火災發生的關鍵,而消火栓系統是建筑物滅火不可缺少的重要消防設施。無論是臨時高壓、還是穩高壓系統,其消火栓滅火用水量都得靠消防水泵來提供所需的用水量,那么,怎么啟泵尤其重要。
我們將消防泵的控制方式分為四種:
一.消火栓按鈕啟動消防泵;
二.消控室遠程啟動消防泵;
三.泵房壓差裝置啟動消防泵;
四.控制柜手動和停止消防泵。
一、消火栓按鈕啟動消防泵
消火栓按鈕啟動消防泵組分為直接啟動消防泵和間接啟動消防泵,原先許多工程因規范要求不明確,部分采用消火栓按鈕間接啟動消防泵的控制方式;消火栓啟泵按鈕從接線方式分兩種,為消火栓按鈕并聯接線啟動消防泵和按鈕串聯接線啟東消防泵。
1.消火栓按鈕并聯啟泵方式是最常見的,是將所有的消火栓按鈕的常開觸點并聯連接。并聯消火栓按鈕啟泵的優點:就像并聯的燈具一樣,其中一個損壞不影響其它按鈕的啟泵功能。這種接線方式的缺點是水泵控制柜必須放置于自動擋,不能監視所有的消火栓啟泵按鈕的工作狀態,以及線路通斷狀況,整個系統種的消火栓按鈕或線路損壞(開路或接錯),需要每個按鈕試驗后,才能發現其系統的好壞;尤其是日后使用中,需要測試的工作量非常大,存在故障難以被發現的可能,是消火栓系統中潛在的隱患。
消火栓按鈕并聯接線方式可分為:二線制、三線制、四線制、六線制的接線方式。下面就不同接線方式分別作具體介紹。
(1)二線制并聯接線方式啟動水泵就是只有啟泵功能或采取兩總線報警通過消防主機自動聯動水泵的控制模塊來啟動水泵。
這種消火栓按鈕連線啟泵缺點:2線制無法判斷水泵是否啟動,2總線制聯動啟動水泵,主機、水泵控制柜都要放置自動檔,如果主機損壞就不能聯動,并且主機、控制柜都要放置自動擋。
(2)3線制啟泵方式,啟泵時有回燈信號,但只是動作的按鈕指示燈亮。
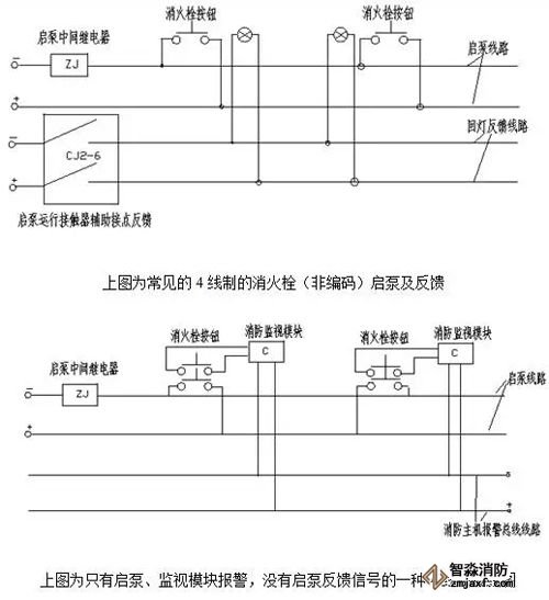
(3)4線制按鈕啟泵,常見的有3種方式即:啟泵回燈各2根線,啟泵時所用的消火栓按鈕回燈都會點亮。另外一種就是啟同時主機通過其監泵的視模塊反饋報警,沒有回燈信號(不符合現在法規要求),還有一種是消防系統帶地址碼的消火栓按鈕,啟泵、總線制,啟泵同時主機報警,水泵運行反饋信號到主機,主機通過程序命令編碼消火栓回答燈點亮。
(4)6線制按鈕啟泵,啟泵、回燈、報警各2根線,啟泵時所有的消火栓按鈕回燈都會點亮,啟泵的按鈕會向主機發出報警信號,是并聯啟泵系統中最完善的一種啟泵方式。
2.消火栓按鈕串聯啟泵方式,就是所有的消火栓按鈕都是串聯,常見的有4線制和6線制。這種啟泵的特點:控制繼電器失電,通過常閉接點接通控制回路,啟動水泵。優點:可以有效的監視線路和設備,優于并聯系統。缺點:水泵控制柜必須放置于自動擋,整個系統的線路損壞(短路),不進行測試時無法發現其系統的好壞,這種啟泵總線路發生短路故障水泵正常無法啟動;或繼電器損害就會啟動水泵。
(1)4線制按鈕串聯啟泵常見的方式:啟泵回燈各2根線,啟泵時所用的消火栓按鈕回燈都會點亮,沒有報警信號。
(2)6線制按鈕串聯啟泵常見的方式:啟泵、回燈、報警各2根線,啟泵時所用的消火栓按鈕回燈都會點亮,有報警信號。
二、消防控制中心遠程啟泵方式
消防控制中心遠程啟泵方式分兩種:火災報警控制器多線盤啟動消防泵和聯動控制柜直接強制啟泵。
1.火災報警控制器多線盤啟動消防泵方式,其工作原理是消防主機多線按鈕啟動多線模塊,模塊動作啟動水泵。優點:線路、設備故障可以監視。缺點:水泵控制柜必須放置于自動擋,消防主機損壞將無法啟動水泵。
2.消防控制中心強制啟泵裝置,其工作原理是只要水泵控制柜工作正常,強啟裝置都能啟動水泵。缺點:線路故障無法監視。
三、消火栓泵房壓差啟泵的方式
壓差啟泵方式,適用于穩高壓系統,其工作原理是在消防、噴淋系統止回閥后的主管網上增加一個電接點壓力表,正常系統有穩壓系統穩壓,當管網的壓力下降很快(穩壓系統的壓力無法補償),到達電接點設置的壓力值時消防、噴淋的主泵就會啟泵。缺點:管網滲漏嚴重或破裂時就會啟動主泵,壓力表損害則不會啟泵。
四、消火栓泵房手動啟泵的方式
在水泵房的噴淋系統泵控制柜上,直接手動啟動水泵。這種啟泵方法比較緩慢,且值班人員需要及時發現火情,在滅火的時空上延誤太多。是一種沒有辦法而為之的最后辦法。
結合我們工程的現狀和有關國家消防法規要求,其消防主機多線啟泵、消控中心強啟、報警閥組壓力開關啟泵、壓差啟泵是必須具備的,條件許可建議增加壓差啟泵裝置或消防變頻控制系統。也確保系統的運行可靠性。
智淼君安(江蘇)消防工程技術有限公司http://www.jurongxin.cn/
海灣消防安全有限公司主營:GST海灣消防報警設備銷售,消防工程施工改造,氣體滅火、電氣/漏電火災、消防水系統施工安裝,售后維修保養,檢測,調試,海灣消防網站:http://www.jurongxin.cn/;海灣消防服務熱線:4006-598-119
本頁關鍵詞:
上一篇:海灣技術|公共建筑和地下建筑疏散樓梯的選擇 下一篇:總結海灣所有煙感型號及功能











蘇公網安備32058102002148號